Boas,
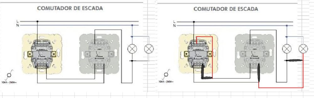
Tenho uma comutação de escada simples que liga ou desliga a partir de dois pontos diferentes duas lâmpadas em simultâneo.
Queria mudar para uma comutação dupla com controlo independente de cada lâmpada.
O que tenho de fazer será o que está descrito abaixo?
Obg.
Mudar de comutação de escada simples para comutação de escada dupla
-
pedro caetano
- Velha Guarda

- Mensagens: 1133
- Registado: 14 fev 2010, 13:12
- Localização: messines- silves
- Enviou: 426 vezes
- Agradecimento recebido: 90 vezes
Re: Mudar de comutação de escada simples para comutação de escada dupla
boas.sim tem de passar mais 2 fios para o outro comutador e depois desligar a outra lampada e ligar nesse. cump
-
jmpnm
- Curioso

- Mensagens: 12
- Registado: 15 abr 2012, 17:34
- Profissão: Engenheiro de Minas
- Localização: Alentejo
Re: Mudar de comutação de escada simples para comutação de escada dupla
Não consigo passar dois fios entre comutadores, pouco espaço no tubo....mas consigo passar um fio novo do ultimo comutador até às lâmpadas.pedro caetano Escreveu: 16 ago 2024, 18:58 boas.sim tem de passar mais 2 fios para o outro comutador e depois desligar a outra lampada e ligar nesse. cump
Em vez de mudar de comutação de escada simples para dupla, uma solução de compromisso podia ser pôr os dois comutadores de escada a funcionar como comutadores simples e poder acender uma lâmpada ou outra conforme a necessidade, assim não tinha de passar fios entre os comutadores.
A situação é uma varanda que tem dois pontos de luz e que é comum a uma sala e um quarto mas que quase nunca é necessário acender as duas lâmpadas ao mesmo tempo; podia perfeitamente por uma a acender a partir do quarto e outra a partir da sala.
As alteraçãos que teria de fazer serão estas ? Obrigado