Boa tarde.ohmico Escreveu:ohmico Escreveu:Boas,
vejam lá se este autómato serve: ohmico
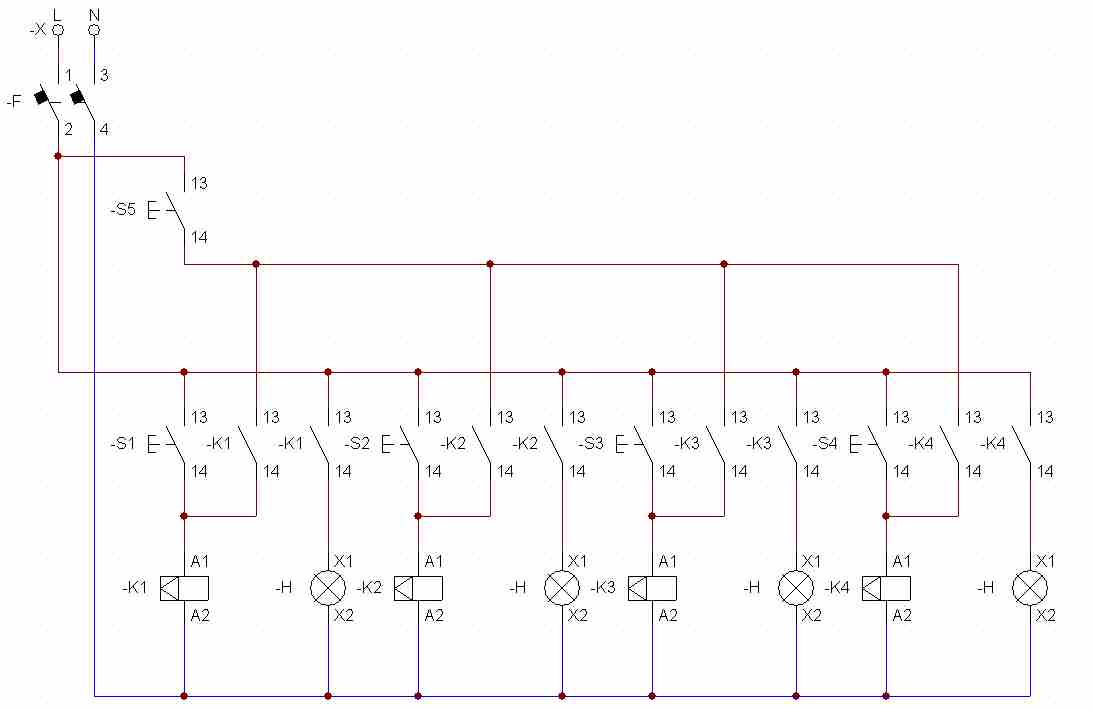
Está aqui um que funciona e para a quantidade de lâmpadas que pretenderem.
Este eu ofereço extra-concurso...
É uma chatice quando isto vai um pouco além da construção civil... começam logo os ataques pessoais.
ohmico
Por acaso, também não funciona
Eu queria pedir a um engenheiro de automação, o favor de vir a este tópico, dar o seu parecer.





