Bom dia,
Tenho uma dúvida sobre o projeto ITED 4, da ligação da terra até a antena. Não sei se tenho de ligar o cabo nos dois piquetes de terra e também tenho que ligar na caixa da terra principal.
Agradeço se alguém me esclarece.
Para-raios
-
amoreira
- Quadro de Honra

- Mensagens: 1280
- Registado: 22 out 2007, 22:10
- Localização: Lisboa
- Enviou: 4 vezes
- Agradecimento recebido: 103 vezes
Re: Para-raios
Boas,
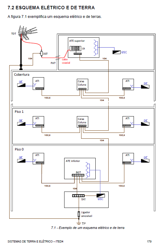
Dá uma olhadela na pág. 174 do manual ITED 4.
Dá uma olhadela na pág. 174 do manual ITED 4.
Não tem Permissão para ver os ficheiros anexados nesta mensagem.
Projectista de Instalações Elétricas, Telecomunicações e Segurança Eletrónica
- micael30
- Curioso

- Mensagens: 14
- Registado: 18 ago 2018, 12:15
- Localização: Leiria
- Agradecimento recebido: 1 vez
Re: Para-raios
Boa tarde,
Obrigado pela resposta.
Eu quero saber do cabo de terra para raios até a zona aérea do pato é obrigatório ser tubo metálica de 40? ou posso passar tubo verde ondulado de 40?
Cumprimentos
Obrigado pela resposta.
Eu quero saber do cabo de terra para raios até a zona aérea do pato é obrigatório ser tubo metálica de 40? ou posso passar tubo verde ondulado de 40?
Cumprimentos
-
amoreira
- Quadro de Honra

- Mensagens: 1280
- Registado: 22 out 2007, 22:10
- Localização: Lisboa
- Enviou: 4 vezes
- Agradecimento recebido: 103 vezes
Re: Para-raios
Boas,
Não vejo nenhum problema na utilização do tubo PEAD, e recomendo sempre que se utilize estes tubos mas com parede interior lisa, para facilitar o enfiamento das guias e cabos.
Não vejo nenhum problema na utilização do tubo PEAD, e recomendo sempre que se utilize estes tubos mas com parede interior lisa, para facilitar o enfiamento das guias e cabos.
Projectista de Instalações Elétricas, Telecomunicações e Segurança Eletrónica