Boa noite a todos.
Estou envolvido numa empreitada em que o projeto define, e bem, que os equipamentos de segurança são alimentados por um transformador de isolamento - Regime IT.
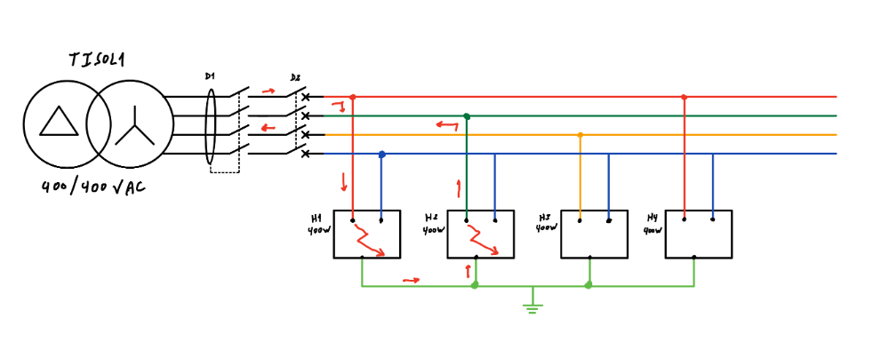
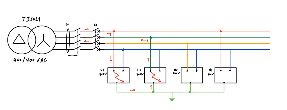
Os ramais são trifásicos com neutro e alimentam várias cargas monofásicas.
Os disjuntores e cabos foram projetados de forma a respeitar os respetivos comprimentos máximos protegidos.
Entendo que o projeto está correto mas considera no início do ramal, disjuntores mas também interrutores diferenciais residuais do tipo AC, 300 mA:
Questionei o projetista que informou que, apesar do regime IT, sentia-se mais seguro com os IDRs.
O transformador de isolamento tem o neutro completamente isolado da terra, sem qualquer impedância.
O neutro é distribuído e a instalação não é grande, com todas as massas interligadas por um cabo de equipotencialização, ligado ao mesmo elétrodo de terra.
Neste caso, e assumindo um primeiro e segundo defeitos fase-massa em dois equipamentos diferentes, teremos um curto-circuito bifásico.
A corrente de curto-circuito circula pelos condutores das duas fases e pelo cabo de equipotencialização entre os dois equipamentos.
O Interruptor diferencial D1 deteta o 2º defeito?
No forum verifico que os IDRs são apresentados como solução quando os equipamentos em regime IT são ligado a elétrodos de terra diferentes.
Mas julgava que as RTIEBT impõem que as massas dos equipamentos sejam equipotencializadas e ligadas ao mesmo elétrodo de terra.
O projetista terá razão na sua justificação para incluir IDRs?
Onde estou a falhar?
Agradeço, desde já, a vossa ajuda.
Cumprimentos.
Carlos Melim
Proteção Diferencial em Regime IT
-
CarlosMelim
- Faça a sua apresentação

- Mensagens: 2
- Registado: 01 jul 2016, 12:06
- Profissão: Engenheiro Eletrotécnico
- Localização: Madeira
-
amoreira
- Quadro de Honra

- Mensagens: 1261
- Registado: 22 out 2007, 22:10
- Localização: Lisboa
- Enviou: 4 vezes
- Agradecimento recebido: 99 vezes
Re: Proteção Diferencial em Regime IT
Nesse esquema falta representar algum equipamento.
Dá uma espreitadela nos anexos que envio e se tiveres alguma dúvida sugiro que fales com os especialistas ou seja a SISACOL eles dão-te todo o apoio que necessitares até te fazem o esquema do quadro se for preciso.
Contacto
+351 212 549 280
Dá uma espreitadela nos anexos que envio e se tiveres alguma dúvida sugiro que fales com os especialistas ou seja a SISACOL eles dão-te todo o apoio que necessitares até te fazem o esquema do quadro se for preciso.
Contacto
+351 212 549 280
- Anexos
-
- QUADRO SEGURANÇA-TIPO_IRDH575+RCMS490+COM462.zip
- (202.67 KiB) Transferido 350 vezes
-
- BENDER-SISACOL-QE-SEG-20090404.pdf
- (82.54 KiB) Transferido 356 vezes
Projectista de Instalações Elétricas, Telecomunicações e Segurança Eletrónica
-
CarlosMelim
- Faça a sua apresentação

- Mensagens: 2
- Registado: 01 jul 2016, 12:06
- Profissão: Engenheiro Eletrotécnico
- Localização: Madeira
Re: Proteção Diferencial em Regime IT
Bom dia Amoreira.
Agradeço a sua resposta.
Analisei os dados que enviou da SISACOL e o meu esquema é diferente.
No esquema BENDER-SISACOL-QE-SEG-20090404 da SISACOL, é considerada uma proteção diferencial para cada cada carga:
No caso de um segundo defeito, e caso a proteção para sobreintensidades não atuar, o equipamento RCMS490 isola, por corrente de defeito, duas cargas.
No meu esquema não faltam equipamentos.
É um caso mais simples do que o esquema SISACOL.
É apenas um ramal trifásico com neutro, com apenas uma proteção diferencial, e que alimenta diversas cargas monofásicas.
A minha dúvida é se o interruptor diferencial deteta um segundo defeito:
Só existe um diferencial e entendo que todo o defeito ocorre a jusante.
A corrente de defeito não tem um caminho que não passe pelo diferencial pelo que o mesmo não detetará o defeito.
Ou estou a falhar nalgum pormenor?
Agradeço a sua ajuda.
Agradeço a sua resposta.
Analisei os dados que enviou da SISACOL e o meu esquema é diferente.
No esquema BENDER-SISACOL-QE-SEG-20090404 da SISACOL, é considerada uma proteção diferencial para cada cada carga:
No caso de um segundo defeito, e caso a proteção para sobreintensidades não atuar, o equipamento RCMS490 isola, por corrente de defeito, duas cargas.
No meu esquema não faltam equipamentos.
É um caso mais simples do que o esquema SISACOL.
É apenas um ramal trifásico com neutro, com apenas uma proteção diferencial, e que alimenta diversas cargas monofásicas.
A minha dúvida é se o interruptor diferencial deteta um segundo defeito:
Só existe um diferencial e entendo que todo o defeito ocorre a jusante.
A corrente de defeito não tem um caminho que não passe pelo diferencial pelo que o mesmo não detetará o defeito.
Ou estou a falhar nalgum pormenor?
Agradeço a sua ajuda.