Relogio com PIC

Responder
Avatar do Utilizador
Duti
Curioso
Curioso
Mensagens: 19
Registado: 21 out 2013, 23:54
Localização: Gaia

Relogio com PIC

Mensagem por Duti »

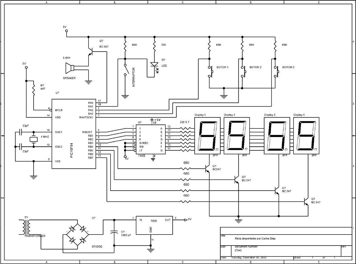
Relógio fácil de construir.

Eu ja fiz e ficou bom.

Usa Pic16F84.
Como leigo não saiu nada mal.
Anexos
despertador.jpg
Avatar do Utilizador
Duti
Curioso
Curioso
Mensagens: 19
Registado: 21 out 2013, 23:54
Localização: Gaia

Re: Relogio com PIC

Mensagem por Duti »

Fica Aqui o codigo

:100000008F28FF3FFF3FFF3F96000D308100030820
:100010009800201D1028051C0F2805101028051415
:10002000990B1628043081079F309900970B4A28B6
:1000300011309700061A3028861A3928061B4228E4
:10004000861B23283028A0182E28150E2018210ED4
:100050000F3903192E28103886004A2886014A28AD
:10006000A0182E281508201821080F3920388600DE
:100070004A28A0182E28140E2018220E0F394038B6
:1000800086004A28A0182E281408201822080F39A4
:1000900080388600910B6828C8309100920B682840
:1000A00014309200930B68283C309300940A140893
:1000B0000310593C031C7B28031014080F39093C1A
:1000C0000318662806309407F0309405A0196D20B7
:1000D0001808830016080B1109002208A01A24082A
:1000E00014020319742808002108A01A2308150215
:1000F0000319201608009401950A03101508233CE3
:10010000031C8D28031015080F39093C03186628B5
:1001100006309507F030950566289501662805108C
:10012000A101A201A0019F30990011309700C830B1
:100130009100143092003C3093000301940086003B
:1001400095000B118B168B178316030186001E304A
:1001500085008112831281011929051E1329851D2D
:100160004E29051DA921851C1129A011201220113D
:100170000510A012201AC228AD28FF308C008C0B6D
:10018000BF28080008308E0006210430A006051D97
:10019000D2288518AD288E0BC428062106210621F9
:1001A0000621C2282012201105102108A01A2308B8
:1001B000A3002208A01A2408053EA4000310593CFD
:1001C000031CF128031024080F39093C031CEE28F6
:1001D000BD20051DE928A016BD20AD280630A407C6
:1001E000E828063024070F39A400230AA3000310CF
:1001F000233C031C0429031023080F39093C03186E
:10020000E8280630A307E828A301E8288C011F305E
:100210008D008C0B0E298D0B09290800851808000C
:100220000929A015BA289421051AAD28A521051E73
:1002300017299821051E2229851D3A29051D912976
:10024000A5211929BD20051A19290310940A14089B
:100250000310593C031C3729031014080F39093CBB
:100260000318382906309407F03094053829940192
:1002700096212229BD2085191929950A15080310F0
:10028000233C031C8E39031015080F39093C031861
:100290008F2906309507F03095058F29942185190F
:1002A000AD28A5212014851D53299821051E5E29FE
:1002B000851D7429051D8729A5215529A012BD205A
:1002C000051A5529A20A22080310593C031C71295A
:1002D000031022080F39093C031872290630A207BF
:1002E0007229A20196216029A012BD2085195529E5
:1002F000A10A21080310233C031C8B2903102108A9
:100300000F39093C03188C290630A1078C292010CD
:10031000051D8829AD28A1019621762995019621F0
:100320003A290519AD2891290630992902309929D1
:1003300001308E00FF308C00FF308D008D0B9E2928
:100340008C0B9C298E0B9A290800A0149821A010D0
:100350000800A5212014051DAB2994212010A521FA
:100360000800FF3FFF3FFF3FFF3FFF3FFF3FFF3FD3
:10037000FF3FFF3FFF3FFF3FFF3FFF3FFF3FFF3F8D
:10038000FF3FFF3FFF3FFF3FFF3FFF3FFF3FFF3F7D
:10039000FF3FFF3FFF3FFF3FFF3FFF3FFF3FFF3F6D
:1003A000FF3FFF3FFF3FFF3FFF3FFF3FFF3FFF3F5D
:1003B000FF3FFF3FFF3FFF3FFF3FFF3FFF3FFF3F4D
:1003C000FF3FFF3FFF3FFF3FFF3FFF3FFF3FFF3F3D
:1003D000FF3FFF3FFF3FFF3FFF3FFF3FFF3FFF3F2D
:1003E000FF3FFF3FFF3FFF3FFF3FFF3FFF3FFF3F1D
:1003F000FF3FFF3FFF3FFF3FFF3FFF3FFF3FFF3F0D
:10040000FF3FFF3FFF3FFF3FFF3FFF3FFF3FFF3FFC
:10041000FF3FFF3FFF3FFF3FFF3FFF3FFF3FFF3FEC
:10042000FF3FFF3FFF3FFF3FFF3FFF3FFF3FFF3FDC
:10043000FF3FFF3FFF3FFF3FFF3FFF3FFF3FFF3FCC
:10044000FF3FFF3FFF3FFF3FFF3FFF3FFF3FFF3FBC
:10045000FF3FFF3FFF3FFF3FFF3FFF3FFF3FFF3FAC
:10046000FF3FFF3FFF3FFF3FFF3FFF3FFF3FFF3F9C
:10047000FF3FFF3FFF3FFF3FFF3FFF3FFF3FFF3F8C
:10048000FF3FFF3FFF3FFF3FFF3FFF3FFF3FFF3F7C
:10049000FF3FFF3FFF3FFF3FFF3FFF3FFF3FFF3F6C
:1004A000FF3FFF3FFF3FFF3FFF3FFF3FFF3FFF3F5C
:1004B000FF3FFF3FFF3FFF3FFF3FFF3FFF3FFF3F4C
:1004C000FF3FFF3FFF3FFF3FFF3FFF3FFF3FFF3F3C
:1004D000FF3FFF3FFF3FFF3FFF3FFF3FFF3FFF3F2C
:1004E000FF3FFF3FFF3FFF3FFF3FFF3FFF3FFF3F1C
:1004F000FF3FFF3FFF3FFF3FFF3FFF3FFF3FFF3F0C
:10050000FF3FFF3FFF3FFF3FFF3FFF3FFF3FFF3FFB
:10051000FF3FFF3FFF3FFF3FFF3FFF3FFF3FFF3FEB
:10052000FF3FFF3FFF3FFF3FFF3FFF3FFF3FFF3FDB
:10053000FF3FFF3FFF3FFF3FFF3FFF3FFF3FFF3FCB
:10054000FF3FFF3FFF3FFF3FFF3FFF3FFF3FFF3FBB
:10055000FF3FFF3FFF3FFF3FFF3FFF3FFF3FFF3FAB
:10056000FF3FFF3FFF3FFF3FFF3FFF3FFF3FFF3F9B
:10057000FF3FFF3FFF3FFF3FFF3FFF3FFF3FFF3F8B
:10058000FF3FFF3FFF3FFF3FFF3FFF3FFF3FFF3F7B
:10059000FF3FFF3FFF3FFF3FFF3FFF3FFF3FFF3F6B
:1005A000FF3FFF3FFF3FFF3FFF3FFF3FFF3FFF3F5B
:1005B000FF3FFF3FFF3FFF3FFF3FFF3FFF3FFF3F4B
:1005C000FF3FFF3FFF3FFF3FFF3FFF3FFF3FFF3F3B
:1005D000FF3FFF3FFF3FFF3FFF3FFF3FFF3FFF3F2B
:1005E000FF3FFF3FFF3FFF3FFF3FFF3FFF3FFF3F1B
:1005F000FF3FFF3FFF3FFF3FFF3FFF3FFF3FFF3F0B
:10060000FF3FFF3FFF3FFF3FFF3FFF3FFF3FFF3FFA
:10061000FF3FFF3FFF3FFF3FFF3FFF3FFF3FFF3FEA
:10062000FF3FFF3FFF3FFF3FFF3FFF3FFF3FFF3FDA
:10063000FF3FFF3FFF3FFF3FFF3FFF3FFF3FFF3FCA
:10064000FF3FFF3FFF3FFF3FFF3FFF3FFF3FFF3FBA
:10065000FF3FFF3FFF3FFF3FFF3FFF3FFF3FFF3FAA
:10066000FF3FFF3FFF3FFF3FFF3FFF3FFF3FFF3F9A
:10067000FF3FFF3FFF3FFF3FFF3FFF3FFF3FFF3F8A
:10068000FF3FFF3FFF3FFF3FFF3FFF3FFF3FFF3F7A
:10069000FF3FFF3FFF3FFF3FFF3FFF3FFF3FFF3F6A
:1006A000FF3FFF3FFF3FFF3FFF3FFF3FFF3FFF3F5A
:1006B000FF3FFF3FFF3FFF3FFF3FFF3FFF3FFF3F4A
:1006C000FF3FFF3FFF3FFF3FFF3FFF3FFF3FFF3F3A
:1006D000FF3FFF3FFF3FFF3FFF3FFF3FFF3FFF3F2A
:1006E000FF3FFF3FFF3FFF3FFF3FFF3FFF3FFF3F1A
:1006F000FF3FFF3FFF3FFF3FFF3FFF3FFF3FFF3F0A
:10070000FF3FFF3FFF3FFF3FFF3FFF3FFF3FFF3FF9
:10071000FF3FFF3FFF3FFF3FFF3FFF3FFF3FFF3FE9
:10072000FF3FFF3FFF3FFF3FFF3FFF3FFF3FFF3FD9
:10073000FF3FFF3FFF3FFF3FFF3FFF3FFF3FFF3FC9
:10074000FF3FFF3FFF3FFF3FFF3FFF3FFF3FFF3FB9
:10075000FF3FFF3FFF3FFF3FFF3FFF3FFF3FFF3FA9
:10076000FF3FFF3FFF3FFF3FFF3FFF3FFF3FFF3F99
:10077000FF3FFF3FFF3FFF3FFF3FFF3FFF3FFF3F89
:10078000FF3FFF3FFF3FFF3FFF3FFF3FFF3FFF3F79
:10079000FF3FFF3FFF3FFF3FFF3FFF3FFF3FFF3F69
:1007A000FF3FFF3FFF3FFF3FFF3FFF3FFF3FFF3F59
:1007B000FF3FFF3FFF3FFF3FFF3FFF3FFF3FFF3F49
:1007C000FF3FFF3FFF3FFF3FFF3FFF3FFF3FFF3F39
:1007D000FF3FFF3FFF3FFF3FFF3FFF3FFF3FFF3F29
:1007E000FF3FFF3FFF3FFF3FFF3FFF3FFF3FFF3F19
:1007F000FF3FFF3FFF3FFF3FFF3FFF3FFF3FFF3F09
:084000000F000F000F000F007C
:02400E00F93F78
:10420000FF00FF00FF00FF00FF00FF00FF00FF00B6
:10421000FF00FF00FF00FF00FF00FF00FF00FF00A6
:10422000FF00FF00FF00FF00FF00FF00FF00FF0096
:10423000FF00FF00FF00FF00FF00FF00FF00FF0086
:10424000FF00FF00FF00FF00FF00FF00FF00FF0076
:10425000FF00FF00FF00FF00FF00FF00FF00FF0066
:10426000FF00FF00FF00FF00FF00FF00FF00FF0056
:10427000FF00FF00FF00FF00FF00FF00FF00FF0046
:00000001FF
Avatar do Utilizador
Duti
Curioso
Curioso
Mensagens: 19
Registado: 21 out 2013, 23:54
Localização: Gaia

Re: Relogio com PIC

Mensagem por Duti »

Aqui fica um sentenciador de Luzes.

bom para o natal.
Anexos
Sequenciador_LUZES.7z
(30.98 KiB) Transferido 373 vezes
Avatar do Utilizador
valecovo
Curioso
Curioso
Mensagens: 12
Registado: 18 nov 2009, 15:25
Localização: Alverca
Contacto:

Re: Relogio com PIC

Mensagem por valecovo »

Se for possível, gostaria de saber se é obrigatório usar o 7448??????
José Silva
Avatar do Utilizador
nelmindo
Team Apoio
Team Apoio
Mensagens: 5456
Registado: 14 abr 2008, 10:52
Localização: PORTO
Enviou: 23 vezes
Agradecimento recebido: 203 vezes

Re: Relogio com PIC

Mensagem por nelmindo »

Depende da tecnologia dos displays. Se de catodo ou anodo comum. Também é possivel usar tecnologia equivalente cmos. Não me lembro da ref. equivalente. Uma pesquisa na net chega lá
Responder

Voltar para “Microcontroladores”